Новости | Автокаталог | Автоклубы | Автоспорт | Мотобол | Фото и видео | Информация ГАИ | ГБО | Тюнинг

Форум доступен только для чтения

Текущее время: 25.03.2026 23:24

Часовой пояс: UTC + 2 часа [ Летнее время ]




Начать новую тему Ответить на тему  [ Сообщений: 70 ]  На страницу Пред.  1, 2, 3, 4, 5
Автор Сообщение
 Заголовок сообщения: Re: круиз контроль
СообщениеДобавлено: 1.04.2013 21:52 
Не в сети
Renault-клуб
Аватара пользователя

Зарегистрирован: 19.06.2005 23:50
Сообщения: 9657
Откуда: Минск
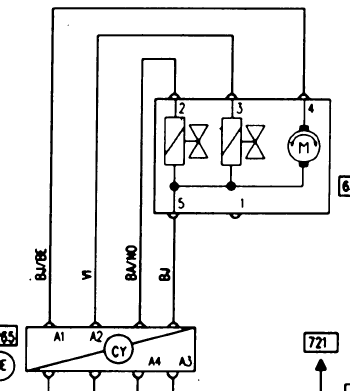
Вложение:
компрессор круиза.PNG
компрессор круиза.PNG [ 15.97 Кб | Просмотров: 5477 ]
может так проще, ньютоны?

_________________
Эльф и гном.


Вернуться к началу
 Профиль  
 
 Заголовок сообщения: Re: круиз контроль
СообщениеДобавлено: 1.04.2013 23:21 
да,да это она, схема моего крузака :) соответствует тому, что я писал, только полярность у меня наоборот, всё-таки я ошибся, а ещё вопрос: к пятому и первому разъёму припаян резистор, сопротивление 550 ом, так и должно быть???? может тупые вопросы уже плету, просто хочется быть уверенным полностью


Вернуться к началу
  
 
 Заголовок сообщения: Re: круиз контроль
СообщениеДобавлено: 2.04.2013 12:37 
Саша0901 писал(а):
и стянул пластиковыми ремешками,сегодня ехал на работу попробывал все работает,правда мне до работы ехать 5км и это не показатель но пока все в норме

Саша0901, так твои дела с круизом, я так понимаю, у тебя вопрос решился???? дело было в шланге,да????


Вернуться к началу
  
 
 Заголовок сообщения: Re: круиз контроль
СообщениеДобавлено: 2.04.2013 12:43 
Не в сети

Зарегистрирован: 2.10.2012 8:13
Сообщения: 126
Откуда: Украина,Луганск
скорее всего да,а шланги когда снимал на морозе они стали как сопля висеть а так попробывать нормально пока не где в четверг буду ехать домой это 150км как раз попробую

_________________
2,5 бензин 1998г.в. механика


Вернуться к началу
 Профиль  
 
 Заголовок сообщения: Re: круиз контроль
СообщениеДобавлено: 2.04.2013 21:07 
Не в сети
Renault-клуб
Аватара пользователя

Зарегистрирован: 19.06.2005 23:50
Сообщения: 9657
Откуда: Минск
Alex0007 писал(а):
да,да это она, схема моего крузака :) соответствует тому, что я писал, только полярность у меня наоборот, всё-таки я ошибся, а ещё вопрос: к пятому и первому разъёму припаян резистор, сопротивление 550 ом, так и должно быть???? может тупые вопросы уже плету, просто хочется быть уверенным полностью

это не резистор, это диод
и он прозванивается только в одну сторону если исправен

_________________
Эльф и гном.


Вернуться к началу
 Профиль  
 
 Заголовок сообщения: Re: круиз контроль
СообщениеДобавлено: 2.04.2013 21:43 
ЮМБР писал(а):
и он прозванивается только в одну сторону если исправен

так, понятно, а скажи пожалуйста, сопротивление прозванивается только в одном положении, в другом молчание, т.е как я понял - не плохо, но почему, когда включаю на прозвонку (пищалку) не пищит, но экран реагирует, и показывает 550, и тоже только в одну сторону, меняю полярность - молчит. Но почему не пищит???? плохой контакт или чё??? диод - это же проводник тока :?:


Вернуться к началу
  
 
 Заголовок сообщения: Re: круиз контроль
СообщениеДобавлено: 2.04.2013 21:43 
ЮМБР писал(а):
и он прозванивается только в одну сторону если исправен

так, понятно, а скажи пожалуйста, сопротивление прозванивается только в одном положении, в другом молчание, т.е как я понял - не плохо, но почему, когда включаю на прозвонку (пищалку) не пищит, но экран реагирует, и показывает 550, и тоже только в одну сторону, меняю полярность - молчит. Но почему не пищит???? плохой контакт или чё??? диод - это же проводник тока :?:


Вернуться к началу
  
 
 Заголовок сообщения: Re: круиз контроль
СообщениеДобавлено: 3.04.2013 8:14 
Не в сети
Аватара пользователя

Зарегистрирован: 8.12.2011 16:20
Сообщения: 82
Откуда: LPR
Так и должно быть

_________________
Safrane I 3.0RXE 94


Вернуться к началу
 Профиль  
 
 Заголовок сообщения: Re: круиз контроль
СообщениеДобавлено: 3.04.2013 14:14 
Не в сети
Renault-клуб
Аватара пользователя

Зарегистрирован: 19.06.2005 23:50
Сообщения: 9657
Откуда: Минск
не пищит потому что тестер твой пищит на меньше чем 550

где-то до 200 пищит, потом уже нет.

_________________
Эльф и гном.


Вернуться к началу
 Профиль  
 
 Заголовок сообщения: Re: круиз контроль
СообщениеДобавлено: 3.04.2013 15:42 
ясно парни, благодарю :xlopat:


Вернуться к началу
  
 
Показать сообщения за:  Поле сортировки  
Начать новую тему Ответить на тему  [ Сообщений: 70 ]  На страницу Пред.  1, 2, 3, 4, 5

Часовой пояс: UTC + 2 часа [ Летнее время ]


Вы не можете начинать темы
Вы не можете отвечать на сообщения
Вы не можете редактировать свои сообщения
Вы не можете удалять свои сообщения
Вы не можете добавлять вложения

Найти:
Перейти:  
Powered by phpBB® Forum Software © phpBB Group
Русская поддержка phpBB